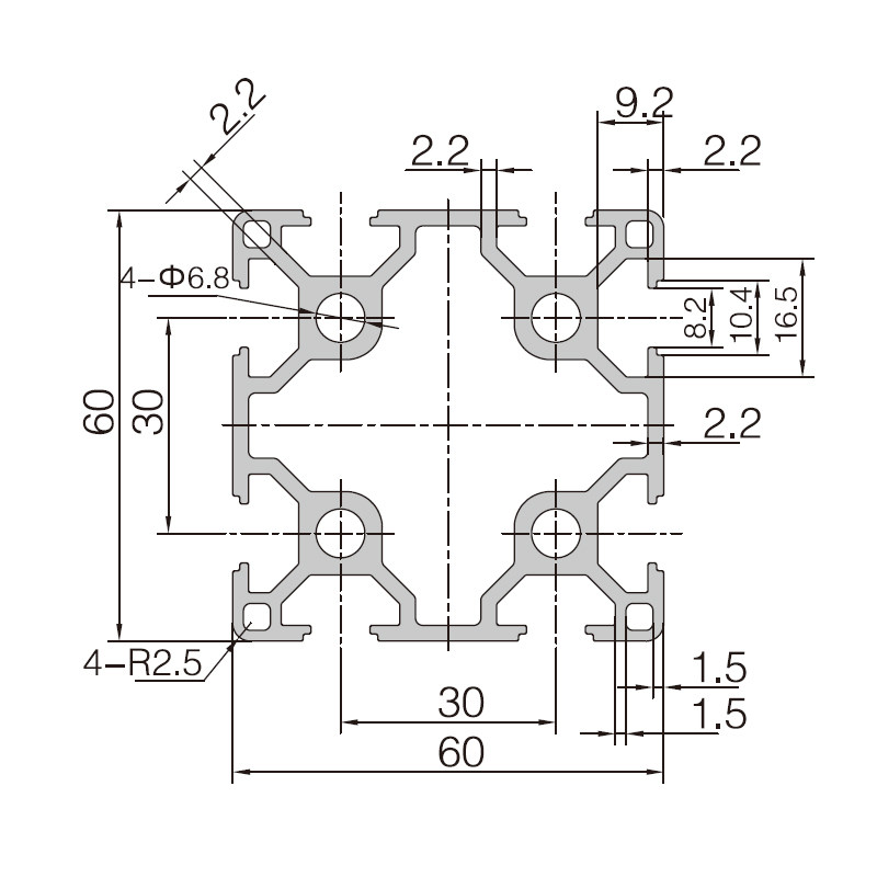
铝型材金属铝边框铝合金异型铝材移门铝材非标定制加工铝型材6060
铝型材金属铝边框铝合金异型铝材移门铝材非标定制加工铝型材6060
所 在 地:浙江 宁波 累计销量:0
领券优惠:  1元券 
店铺掌柜:  磨欣剑商城的小店4 
商品标签:
151 151
商品详情
  • 相关推荐