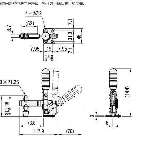
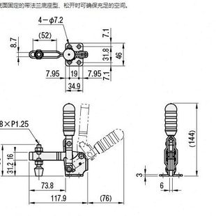
工装 垂直式 S3快速夹钳 替代MISUMI米思米肘夹MC04 夹具 快速夹具
工装 垂直式 S3快速夹钳 替代MISUMI米思米肘夹MC04 夹具 快速夹具
所 在 地:浙江 杭州 累计销量:0
店铺掌柜:  tb2972139511 
109 109
商品详情
  • 相关推荐